
ΕΚ3 – Μεταλλικές κατασκευές
Το ΕΝ 1993 ασχολείται με τις αρχές και τις απαιτήσεις για αντοχή, λειτουργικότητα, ανθεκτικότητα και ασφάλεια των κατασκευών από χάλυβα, τις βασικές αρχές του σχεδιασμού και των ελέγχων επάρκειας.
Ανάπτυξη και Διάθεση Τεχνικού Λογισμικού
Επικοινωνήστε μαζί μας
Οι «Μεταλλικές Συνδέσεις» αποτελούν την υπομονάδα του ΡΑΦ, η οποία περιλαμβάνει τους πλήρεις ελέγχους επάρκειας των κόμβων μεταλλικών δομικών μελών, σύμφωνα με τις διατάξεις του Ευρωκώδικα 3-1.8. Η υπομονάδα, ακολουθώντας τη φιλοσοφία και το σχεδιασμό του ΡΑΦ, εντάσσεται πλήρως στο ενιαίο περιβάλλον του ΡΑΦ, προσδίδοντας έτσι ευχρηστία και απαλλάσσοντας το μελετητή από περιττές ενέργειες (μεταφορά εντατικών μεγεθών, γεωμετρικών χαρακτηριστικών των συνδεόμενων μελών κ.α.), οι οποίες είναι χρονοβόρες και μπορεί να οδηγήσουν σε λάθη.

Πρότυπες μεταλλικές συνδέσεις: Το ΡΑΦ προσφέρει και υλοποιεί τις δύο βασικότερες συνδέσεις των μεταλλικών μελών – συνδέσεις τέμνουσας (αρθρώσεις) και συνδέσεις ροπής (μερικές ή πλήρεις πακτώσεις) με βάση τα πρότυπα των συνδέσεων του καταλόγου του Γερμανικού Συνδέσμου Μεταλλικών Κατασκευών – DTSV. Οι διατάξεις αυτών των συνδέσεων είναι ιδιαίτερα βελτιστοποιημένες κι έχουν δοκιμασθεί σε κτηριακά έργα επί πολλές δεκαετίες, καλύπτοντας την πλειονότητα των περιπτώσεων της καθημερινής τεχνικής πράξης.
Μεταλλικές συνδέσεις χρήστη: Ο μηχανικός στο ΡΑΦ έχει την δυνατότητα τροποποίησης των τυπικών μεταλλικών συνδέσεων δημιουργώντας με αυτόν τον τρόπο μια νέα σύνδεση. Αυτές οι συνδέσεις των χρηστών, μπορούν στην συνέχεια να καταχωρηθούν στην βάση δεδομένων του ΡΑΦ, ώστε αυτές οι ίδιες να μπορούν να χρησιμοποιηθούν ξανά σε οποιαδήποτε νέα μελέτη.

Μετά την ανάλυση ενός μεταλλικού κτηρίου κι επιλέγοντας κάποιο μεταλλικό στοιχείο, το ΡΑΦ βάσει των διατομών των συνδεόμενων μελών και των εντατικών μεγεθών της ανάλυσης, προτείνει αυτόματα τους τύπους των κατάλληλων πρότυπων συνδέσεων, για τον συγκεκριμένο κόμβο. Επίσης, γίνεται αυτόματος υπολογισμός του δυσμενέστερου λόγου εξάντλησης της σύνδεσης για την αρχή και το τέλος του μεταλλικού μέλους. Με αυτόν τον τρόπο, ο μηχανικός επιλέγει τον τύπο της σύνδεσης που επιθυμεί να τοποθετήσει εύκολα και με πλήρη εποπτικό τρόπο.

Οι συνδέσεις τέμνουσας (άρθρωσης) δοκού – στύλου, πραγματοποιούνται με τη χρήση γωνιακών ελασμάτων στα άκρα των δοκών, βάσει των πρότυπων συνδέσεων. Επιλέγοντας μία μεταλλική δοκό μετά την ανάλυση του κτηρίου, αυτόματα πραγματοποιείται ο έλεγχος επάρκειας των συμβατών συνδέσεων, ώστε κατά την επιλογή της σύνδεσης προς τοποθέτηση, να είναι γνωστός ο δυσμενέστερος λόγος εξάντλησης CR της σύνδεσης για την αρχή και το τέλος του στοιχείου.
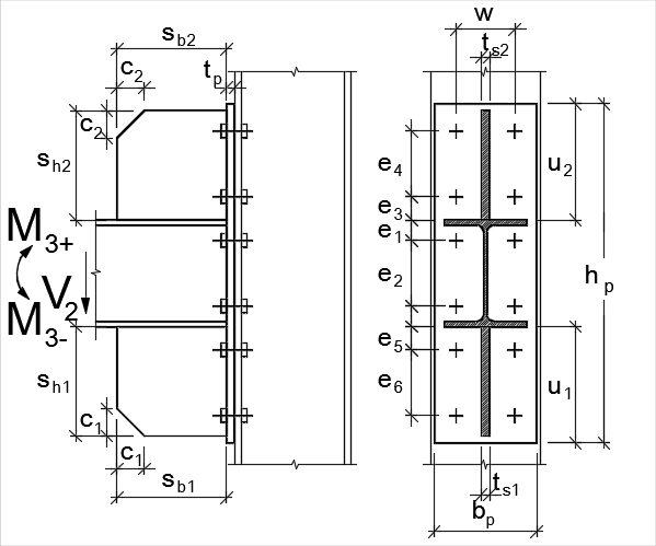
Οι συνδέσεις ροπής (πακτώσεις ή μερικές πακτώσεις), πραγματοποιούνται με μετωπική πλάκα, βάσει των πρότυπων συνδέσεων και περιλαμβάνουν:
Για τις συνδέσεις ροπής των ενισχυμένων άκρων, ο μελετητής-μηχανικός μπορεί να διαμορφώσει τη σύνδεση και να δημιουργήσει απεριόριστο πλήθος νέων συνδέσεων, επιλέγοντας ανάμεσα από 5 διαφορετικούς τύπους (3 για ενισχυμένο ακραίο κόμβο πλαισίου και 2 για κόμβο κορφιά). Στη συνέχεια, οι νέες συνδέσεις μπορούν να καταχωρηθούν στη βιβλιοθήκη συνδέσεων του ΡΑΦ και να είναι διαθέσιμες σε κάθε νέα μελέτη.
Για την έδραση των μεταλλικών υποστυλωμάτων, χρησιμοποιούνται πλάκες έδρασης με σύστημα αγκύρωσης (αγκύρια), όπου ο χρήστης μπορεί να ορίσει και να διαμορφώσει εύκολα μέσω βοηθητικών διαλόγων τη σύνδεση που επιθυμεί. Και αυτές οι συνδέσεις αντιμετωπίζονται ως βιβλιοθήκη έτσι ώστε να μπορούν να χρησιμοποιηθούν σε μελλοντικά έργα.

Οι διαγώνιοι σύνδεσμοι συνδέονται μέσω κοχλιών σε κομβοελάσματα τα οποία συγκολλούνται είτε απευθείας στις δοκούς, είτε συνηθέστερα στη μετωπική πλάκα της δοκού και στη δοκό. Και για αυτούς τους τύπους συνδέσεων, ο χρήστης μπορεί να διαμορφώσει εύκολα, μέσω βοηθητικών διαλόγων τη σύνδεση που επιθυμεί.

Ο έλεγχος επάρκειας των συνδέσεων πραγματοποιείται αυτόματα κατά την εισαγωγή τους στο προσομοίωμα του φορέα, εφόσον έχει προηγηθεί η επίλυσή του. Τα αποτελέσματα εκτός από τη χρωματική απεικόνιση του δυσμενέστερου λόγου εξάντλησης στην οθόνη, παρουσιάζονται συνοπτικά σε πίνακες αλλά και σε μορφή κειμένου. Επίσης, υπάρχει η πολύ αναλυτική παρουσίαση σε κείμενο αποτελεσμάτων, όλων των ελέγχων που πραγματοποιούνται για κάθε τύπο σύνδεσης με αναφορές στις παραγράφους του ΕΚ3-1.8. Με αυτόν τον τρόπο ο μηχανικός μπορεί να επιβεβαιώσει και να εξακριβώσει πλήρως τα εξαγόμενα αποτελέσματα.

Το ΕΝ 1993 ασχολείται με τις αρχές και τις απαιτήσεις για αντοχή, λειτουργικότητα, ανθεκτικότητα και ασφάλεια των κατασκευών από χάλυβα, τις βασικές αρχές του σχεδιασμού και των ελέγχων επάρκειας.

Τα εξαγόμενα σχέδια αφορούν την κάτοψη του κτηρίου, λεπτομέρειες μεταλλικών συνδέσεων καθώς και όψεις μεταλλικών πλαισίων κ.α.

Στα κτήρια από μεταλλικό ή σύμμικτο σκελετό προμετρούνται όλα τα δομικά μέλη αυτού του υλικού.

Μέσω της Υ/Μ ‘Ενισχυμένες μεταλλικές διατομές ‘ ο μηχανικός μπορεί να συνθέσει ενισχύσεις διατομών μέσω συγκολλήσεων τμημάτων άλλων διατομών σε μια τελική ενισχυμένη διατομή.